DDA with triple quadrupole

support
DDA with triple quadrupole gioele_vi  2025-03-14 05:40
 

Hello,

I'm using a triple quadrupole (Shimadzu 8060) and I'm performing a survey scan (i.e. DDA) with an inclusion list. There are no other functions in the method.
The inclusion list with the precursors m/z is on the transition list of Skyline and I am able to extract the MS1 spectrum. However, it seems that Skyline does not extract the MS2 triggered scan.

I have tried different settings for MS1 and MS/MS but I cannot extract both MS1 and MS2 scans even if they are present in the RAW file.

Can you help me with such issue?

Thanks in advance and big ups for the fantastic work you're doing!

Gioele

 
 
Nick Shulman responded:  2025-03-14 06:04
It might be possible to get this to work if you use ProteoWizard MSConvert to convert your Shimadzu .lcd data file to .mzML and enable the "SRM as spectra" option.
If you are using the command-line msconvert.exe, that would entail specifying the "--srmAsSpectra" argument.

Skyline knows how to read SRM chromatograms from data files, and Skyline knows how to extract chromatograms from spectra, but Skyline cannot do both of those things on the same data file.
The way that Skyline decides whether it is going to be reading SRM chromatograms or extracting chromatograms from spectra is by seeing if any options have been chosen on the "Full Scan" tab at "Settings > Transition Settings".
If you tell Skyline to extract chromatograms from the MS1 spectra then Skyline will ignore the SRM chromatograms.
However, if you have converted your .lcd file to .mzML and told MSConvert to change the SRM chromatograms into spectra then everything might work correctly.

I am not the expert in this area, and I have never tried anything like this so it is possible that this will not work at all for reasons I have not anticipated.

If you would like, you can send us your Skyline document and one or more of your .lcd files and we could try to figure something out.
In Skyline you can use the menu item:
File > Share
to create a zip file containing your Skyline document and supporting files including whatever chromatograms have been extracted.

The "Share Document" dialog also gives you the option of including the raw mass spec data files, or you could zip them up and send them to us separately.
Files which are less than 50MB can be attached to these support requests. You can always upload larger files here:
https://skyline.ms/files.url
-- Nick
 
gioele_vi responded:  2025-03-14 08:14
Many thanks for your answer Nick!

I have tried to convert the spectra as you described but it still not working.
I uploaded the RAW files and the skyline template to the share drive. The password to encrypt the zip is: uzg23ZSDVZu_@_ed

Please note that not all molecules in the transition list were included in the MS method, as this was a test to see what we could extract from the DDA data using Skyline.

If you need anything else please let me know.

Best regards,

Gioele
 
Nick Shulman responded:  2025-03-14 09:12
Thank you for sending those data files.

One thing I noticed is that you have "Triggered chromatogram acquisition" checked at "Settings > Transition Settings > Instrument".
You should uncheck that. That setting should only be used if you are doing a Thermo SureQuant method.
When that checkbox is checked, Skyline tries to find the time ranges over which MS2 spectra were acquired and then truncates and inserts gaps into the MS1 chromatograms to match, which results in very strange looking chromatograms.

I think I misunderstood what sort of data you had.
Every one of the Transitions in your document has the same m/z as its precursor, so I do not see anything for which it would make sense to extract a chromatogram from MS2 spectra.
What were you hoping Skyline would do with your data?
Can you give me an example of a particular precursor/product m/z chromatogram you would like to see?

One thing that sometimes causes problems for people is that if you have chosen "DDA" as the "Acquisition method" at "Settings > Transition Settings > Full Scan", Skyline will only extract chromatograms for the MS2 transitions if you have also told Skyline to extract MS1 chromatograms for that same molecule. The reason for this is that Skyline uses the MS1 (isotope) transitions to decide which MS2 spectra belong to that molecule. We did not think that DDA chromatograms in Skyline would ever be useful on their own, so they really just exist to be something that you can click on to learn more about the MS1 spectra.
However, since you don't have any MS2 transitions in your document, this particular issue is probably not the problem.

You could certainly add some MS2 transitions to some of your molecules by right-clicking on a precursor m/z in the Targets tree and choosing "Add Transition".
-- Nick
 
gioele_vi responded:  2025-03-17 05:57

Hi Nick,

Many thanks for taking the time to look at the file and for your input.

I will answer in bullet points, it will be easier:

  • "Triggered chromatogram acquisition" --> I deselected this option as you suggested, but it didn't change anything.
  • "What were you hoping Skyline would do with your data?" --> I have illustrated the workflow I would like to perform with the DDA method - you can find it attached.
  • "Every one of the Transitions in your document has the same m/z as its precursor, so I do not see anything for which it would make sense to extract a chromatogram from MS2 spectra." --> You mean we only have the precursor? Because in the list we have more than 1000 compounds with different m/z.
  • "Can you give me an example of a particular precursor/product m/z chromatogram you would like to see?" --> It's a DDA method, so we don't know the fragments yet, just the precursor.
  • "The reason for this is that Skyline uses the MS1 (isotope) transitions to decide which MS2 spectra belong to that molecule. We did not think that DDA chromatograms in Skyline would ever be useful on their own, so they really just exist to be something that you can click on to learn more about the MS1 spectra." --> I would like to see the corresponding MS2 spectra coming from MS1, this is extremely useful for discovery experiments :)
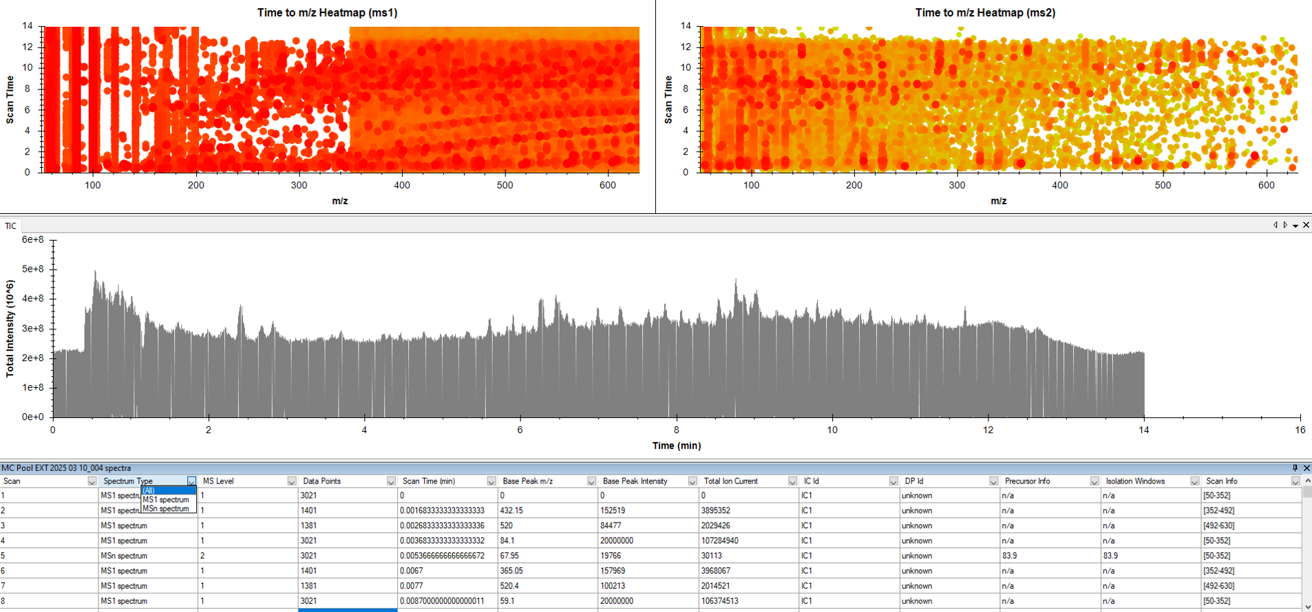
  • "However, since you don't have any MS2 transitions in your document, this particular issue is probably not the problem" --> We have a lot of MS2 spectra in our acquisition, I have attached a readout from SeeMS to give you an idea of the amount of MS2 scans triggered.

I hope this helps you understand my request. If you need anything else, please do not hesitate to contact me.

Best regards,

Gioele

 
Nick Shulman responded:  2025-03-17 14:39
Skyline is probably not the right tool to use for what you are trying to do.
Skyline is really good at extracting chromatograms when you know the precursor and product m/z values.

Skyline is really not very good at helping you figure out which m/z's you would want to extract chromatograms for.
Actually, if you have some theories about what might be some good product m/z's to try then you could create a big transition list with all of those product m/z's, and you would be very easily able to see in Skyline which of those product m/z's have good-looking chromatograms.
But, if you do not know which m/z's you might want to monitor you should probably use a different tool whose focus is more on spectra.
-- Nick
 
gioele_vi responded:  2025-03-31 01:49
Thanks Nick for your honest answer. The challenge we have is that we do not know the fragments, but we would like to determine whether a MS2 spectrum can be assigned to a molecular group (similar to molecular networking but in a simplified way).

I will take a look at other software that focuses more on spectral comparison such as MZmine or MS-DIAL.

Best regards,

Gioele